您现在的位置是:首页 > 牙膏推荐
自锁与互锁电路是什么,它们有一致和不同的地方?
皓齿牙科网
2024-12-26【牙膏推荐】9人已围观
简介锁后无法自解锁,自锁与互锁共同点自锁,是继电器接触器这些有线圈和触点的元件,在线圈带电以后,会让触点信号状态改变了,比如原来是常开的,会变成了闭合状态,把这个状态去连通了线圈的带电点。让线圈长久保持了通电状态,而同时线圈又保证了触点状态的长久改装的状态,这样线圈和触点之间,你中有我,我中有你了。上图...

自锁,是继电器接触器这些有线圈和触点的元件,在线圈带电以后,会让触点信号状态改变了,比如原来是常开的,会变成了闭合状态,把这个状态去连通了线圈的带电点。让线圈长久保持了通电状态,而同时线圈又保证了触点状态的长久改装的状态,这样线圈和触点之间,你中有我,我中有你了。

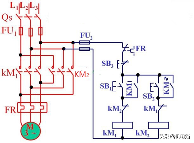
上图是一个电机启动自保控制图,目的是当按钮SA2按下去以后,电机将会长久运行下去。因为按钮是松手就恢复状态的非保持类型的,SA2是启动按钮,当SA2被按下后,L2→保险→保险→SA1→SA2→线圈KM→FR→保险→保险→L3,形成了通电回路,线圈KM带电,触点KM全部吸合,这样电机通电转动。同时并联在SA2按钮上的触点KM也闭合了,电流会经过L2→保险→保险→SA1→KM→线圈KM→FR→保险→保险→L3,同样形成了回路,这个回路就是自锁回路,也叫自保回路,即使按下SA2按钮的动作松开了,SA2断开,因为自锁回路存在,线圈KM将长久保持带电状态,电机会一直旋转下去。一直到停止按钮SA1被按下,切断了自锁回路以后,自保回路才回复到最初断电状态,电机停止运转,所以自锁回路无法自己解锁,需要靠停止按钮或者保护状态FR来复位。

上图中有自锁又有互锁,自锁电路已经分析了,和上边是一样的。因为电机有正反转两种状态,而且两种状态是互相排斥的,也就是电机正转时候不能反转,反转时候不能正转,这时候是“有你无我”的“敌对”状态。互锁电路,就是要达到这样一种互相封锁的功能。KM1线圈通电时候,KM2就不能通电;KM2通电时候,KM1同样不能通电,否则主回路触点全部导通,将会导致供电电源短路。因此设计了KM1的常闭触点串联到KM2线圈的回路里边,同样KM2的常闭触点串联到KM1的线圈里边,这样可以避免KM1和KM2同时导通。可以看出,不管是KM1还是KM2自锁带电了,然后通过互锁锁住对方,都无法自己退出这个保持状态,需要通过停止按钮SB3或者保护状态FR来复位,这是自锁和互锁电路的共同点。
自锁是自保,互锁是限制其他不管是自锁还是互锁,都是利用了线圈来控锁触点,达到某种状态的长期稳定目的。自锁的过程,是为了让自己的线圈长期带电,所以是自我保持。

互锁是利用自己线圈的状态,控制了自己的触点,来避免别的线圈状态发生改变,这点完全是限制了别的线圈工作,也就是避免两种线圈之间互相冲突而设计的。

从这些分析来看,自锁和互锁并没有本质区别,只是逻辑状态上有差异,电路分析的手段和方法是一致的。它们是为了不同的控制目的而设计的,所以出发点不一样而已,当然功能也完全不一样。
很赞哦!(168)
上一篇:最新工会消费券来了!